新聞中心
您當前的位置:首頁>>新聞中心>>行業知識

電源濾波,電阻濾波,電容濾波他們區別是什么?

  • 時間:2021-07-14 10:08:51
  • 作者:
  • 瀏覽:3809次

開關電源低通濾波器

逆變電路的輸出電壓并不是單純的直流電,從數字示波器觀查逆變電路的輸出,與直流電相距非常大,波型中帶有很大的脈動飲料成份,稱之為諧波失真。為得到 較為理想化的交流電壓,必須 運用具備儲能技術功效的電抵抗性元器件(如電容器、電感器)構成的低通濾波器來濾掉逆變電路輸出電壓中的脈動飲料成份以得到 交流電壓。

常見的低通濾波器有沒有源過濾和有源濾波器兩類。微波感應器過濾的關鍵方式有電容濾波、電感器過濾和小復式過濾(包含倒L型、LC過濾、LCπ型過濾和RCπ型過濾等)。有源濾波器的關鍵方式是數字功放RC過濾,也稱之為電子器件過濾器。直流電源中的脈動飲料成份的尺寸用脈動飲料指數來表明,此值越大,則過濾器的過濾實際效果越差。

脈動飲料指數(S)=輸出電壓溝通交流份量的基波最高值/輸出電壓的直流電份量

半波整流輸出電壓的脈動飲料指數為S=1.57,全波整流和橋式整流的輸出電壓的脈動飲料指數S≈O.67。針對全波和橋式整流電源電路選用C型低通濾波器后,其脈動飲料指數S=1/(4(RLC/T-1)。(T為整流器輸出的直流電脈動飲料工作電壓的周期時間。)

電阻器低通濾波器

RC-π型低通濾波器,本質上是在電容濾波的基本上加上一級RC低通濾波器構成的。如圖所示1(B)RC低通濾波器。若用S表明C一兩直流電壓的脈動飲料指數,則輸出電壓兩邊的脈動飲料指數S=(1/ωC2R)S。

由剖析得知,電阻器R的功效是將殘留的諧波失真工作電壓著陸在電阻器兩邊,最終由C2再旁通掉。在ω值一定的狀況下,R愈大,C2愈大,則脈動飲料指數越小,也就是過濾實際效果就越高。而R值擴大時,電阻器上的直流電損耗會擴大,那樣就擴大了直流穩壓電源的內部耗損;若擴大C2的容量,又會擴大電力電容器的容積和凈重,完成起來都不實際。這類電源電路一般用以負荷電流量較為小的場所.

電感器低通濾波器

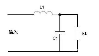
依據電抵抗性元器件對交、直流電特性阻抗的不一樣,由電容器C及電感器L所構成的低通濾波器的基本上方式如圖所示1所顯示。由于電力電容器C對直流電引路,對溝通交流特性阻抗小,因此C串聯在負荷兩邊。電感L對直流電特性阻抗小,對溝通交流特性阻抗大,因而L應與負荷串連。

1.jpg

(A)電容濾波(B)C-R-C或RC-π型電阻濾波脈動系數S=(1/ωC2R')S'

1.jpg

2.jpg

(C)L-C電感濾波(D)π型濾波或叫C-L-C濾波

圖1無源濾波電路的基本形式

并 聯的電容器C在輸入電壓升高時,給電容器充電,可把部分能量存儲在電容器中。而當輸入電壓降低時,電容兩端電壓以指數規律放電,就可以把存儲的能量釋放出 來。經過濾波電路向負載放電,負載上得到的輸出電壓就比較平滑,起到了平波作用。若采用電感濾波,當輸入電壓增高時,與負載串聯的電感L中的電流增加,因 此電感L將存儲部分磁場能量,當電流減小時,又將能量釋放出來,使負載電流變得平滑,因此,電感L也有平波作用。


利用儲能元件電感器L的電流不能突變的特點,在整流電路的負載回路中串聯一個電感,使輸出電流波形較為平滑。因為電感對直流的阻抗小,交流的阻抗大,因此能夠得到較好的濾波效果而直流損失小。電感濾波缺點是體積大,成本高.


橋式整流電感濾波電路如圖2所示。電感濾波的波形圖如圖2所示。根據電感的特點,當輸出電流發生變化時,L中將感應出一個反電勢,使整流管的導電角增大,其方向將阻止電流發生變化。

1.jpg

圖2電感濾波電路


在 橋式整流電路中,當u2正半周時,D1、D3導電,電感中的電流將滯后u2不到90°。當u2超過90°后開始下降,電感上的反電勢有助于D1、D3繼續 導電。當u2處于負半周時,D2、D4導電,變壓器副邊電壓全部加到D1、D3兩端,致使D1、D3反偏而截止,此時,電感中的電流將經由D2、D4提 供。由于橋式電路的對稱性和電感中電流的連續性,四個二極管D1、D3;D2、D4的導電角θ都是180°,這一點與電容濾波電路不同。

1.jpg

圖3電感濾波電路波形圖


已知橋式整流電路二極管的導通角是180°,整流輸出電壓是半個半個正弦波,其平均值約為。電感濾波電路,二極管的導通角也是180°,當忽略電感器L的電阻時,負載上輸出的電壓平均值也是。如果考慮濾波電感的直流電阻R,則電感濾波電路輸出的電壓平均值為



要注意電感濾波電路的電流必須要足夠大,即RL不能太大,應滿足wL>>RL,此時IO(AV)可用下式計算



由 于電感的直流電阻小,交流阻抗很大,因此直流分量經過電感后的損失很小,但是對于交流分量,在wL和上分壓后,很大一部分交流分量降落在電感上,因而降低 了輸出電壓中的脈動成分。電感L愈大,RL愈小,則濾波效果愈好,所以電感濾波適用于負載電流比較大且變化比較大的場合。采用電感濾波以后,延長了整流管 的導電角,從而避免了過大的沖擊電流。


電容濾波原理詳解

1.空載時的情況


當電路采用電容濾波,輸出端空載,如圖4(a)所示,設初始時電容電壓uC為零。接入電源后,當u2在正半周時,通過D1、D3向電容器C充電;當在u2的負半周時,通過D2、D4向電容器C充電,充電時間常數為

1.jpg

(a)電路圖(b)波形圖


圖4空載時橋式整流電容濾波電路


式 中包括變壓器副邊繞組的直流電阻和二極管的正向導通電阻。由于一般很小,電容器很快就充到交流電壓u2的最大值,如波形圖2(b)的時刻。此后,u2開始 下降,由于電路輸出端沒接負載,電容器沒有放電回路,所以電容電壓值uC不變,此時,uC>u2,二極管兩端承受反向電壓,處于截止狀態,電路的輸出電 壓,電路輸出維持一個恒定值。實際上電路總要帶一定的負載,有負載的情況如下。


2.帶載時的情況


圖5給出了電容濾波電路在帶電阻 負載后的工作情況。接通交流電源后,二極管導通,整流電源同時向電容充電和向負載提供電流,輸出電壓的波形是正弦形。在時刻,即達到u290°峰值 時,u2開始以正弦規律下降,此時二極管是否關斷,取決于二極管承受的是正向電壓還是反向電壓。


先設達到90°后,二極管關斷,那么只有濾波電容 以指數規律向負載放電,從而維持一定的負載電流。但是90°后指數規律下降的速率快,而正弦波下降的速率小,所以超過90°以后有一段時間二極管仍然承受 正向電壓,二極管導通。隨著u2的下降,正弦波的下降速率越來越快,uC的下降速率越來越慢。


所以在超過90°后的某一點,例如圖5(b)中的t2時刻, 二極管開始承受反向電壓,二極管關斷。此后只有電容器C向負載以指數規律放電的形式提供電流,直至下一個半周的正弦波來到,u2再次超過uC,如圖 5(b)中的t3時刻,二極管重又導電。


以上過程電容器的放電時間常數為



電容濾波一般負載電流較小,可以滿足td較大的條件,所以輸出電壓波形的放電段比較平緩,紋波較小,輸出脈動系數S小,輸出平均電壓UO(AV)大,具有較好的濾波特性。

1.jpg

(a)電路圖(b)波形圖


圖5帶載時橋式整流濾波電路


以 上濾波電路都有一個共性,那就是需要很大的電容容量才能滿足要求,這樣一來大容量電容在加電瞬間很有很大的短路電流,這個電流對整流二極管,變壓器沖擊很 大,所以現在一般的做法是在整流前加一的功率型NTC熱敏電阻來維持平衡,因NTC熱敏電阻在常溫下電阻很大,加電后隨著溫度升高,電阻阻值迅速減小,這 個電路叫軟起動電路。這種電路缺點是:斷電后,在熱時間常數內,NTC熱敏電阻沒有恢復到零功率電阻值,所以不宜頻繁的開啟。


為什么整流后加上濾波電容在不帶負載時電壓為何升高?這是因為加上濾波測得的電壓是含有脈動成分的峰值電壓,加上負載后就是平均值,計算:峰值電壓=1.414×理論輸出電壓


有源濾波-電子電路濾波

電 阻濾波本身有很多矛盾,電感濾波成本又高,故一般線路常采用有源濾波電路,電路如圖6。它是由C1、R、C2組成的π型RC濾波電路與有源器件晶體管T組 成的射極輸出器連接而成的電路。由圖6可知,流過R的電流IR=IE/(1+β)=IRL/(1+β)。流過電阻R的電流僅為負載電流的1/(1+β). 所以可以采用較大的R,與C2配合以獲得較好的濾波效果,以使C2兩端的電壓的脈動成分減小,輸出電壓和C2兩端的電壓基本相等,因此輸出電壓的脈動成分 也得到了削減。


從RL負載電阻兩端看,基極回路的濾波元件R、C2折合到射極回路,相當于R減小了(1+β)倍,而C2增大了(1+β) 倍。這樣所需的電容C2只是一般RCπ型濾波器所需電容的1/β,比如晶體管的直流放大系數β=50,如果用一般RCπ型濾波器所需電容容量為 1000μF,如采用電子濾波器,那么電容只需要20μF就滿足要求了。采用此電路可以選擇較大的電阻和較小的電容而達到同樣的濾波效果,因此被廣泛地用 于一些小型電子設備的電源之中。

1.jpg